进入中文版
产品类别
联系我们

联系人: 魏先生
电话: 0769-33888958
传真: 0769-33888958
手机: 13790628883
E-mail: china@ysosy.cn
地址: 东莞市道滘镇华科城创新岛产业孵化园

电子地图
产品展示

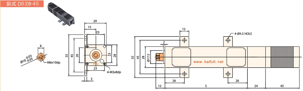
DS28卧式精密电动缸

DS28卧式精密电动缸
详细说明:

    行业应用:

电动机,打孔机,空压机

服务热线:0769-33888958

产品描述

       
       搭配微步进马达,可做精密移动,适合轻负载、需精密定位的直线运动
       可替换使用滑台的场合,可降低机构成本及缩小使用空间
       成本低、控制简单,可取代气缸场合,且改善气缸无法精密定位的缺点
       螺杆螺帽采用复合材料特制,寿命长、无噪音、精密耐久度高
       前后极限内建,无需外加工,美观、省成本,实现一体化控制
       适用各种电子、半导体或光学设备,或需短距离微量移动场合

产品特点

       三种行程长度,內建前后传感器,并附极限指示灯
       水平承載力可达6KG,垂直方向最大荷重3KG
       重覆定位精度0.02mm
       传感器採用NPN型式,通用线码方便识别

规格型号


                                                                         立式精密电动缸—速度推力曲线图

产品结构


                                                                                        卧式精密电动缸—结构图

力矩曲线

 

                                                                       立式精密电动缸—速度推力曲线图

    电器连接

     

     


                                                                        卧式精密电动缸(速度-推力曲线图)

      配套产品

 

←[上一个产品]:] [下一个产品]:]→

相关设备:
DS28立式电动缸系列

DS28立式电动缸系列
DS28导轨式精密电动缸

DS28导轨式精密电动缸